聯系我們|在線定制|繁體|English開關插座、連接器生產廠家-廣東省歷合電子有限公司歡迎您的光臨!
全國服務熱線:
0757-26363652
客戶都在找:輕觸開關撥動開關撥碼開關微動開關AC電源插座
AC電源插座
DC電源插座
撥動開關
船型開關
微動開關
輕觸開關
撥碼開關
耳機插座
按鈕開關
自鎖開關
卡儂插座
日期:2018/6/6 閱讀:1644次
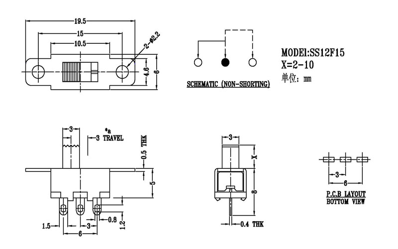
產品簡介:
正撥撥動開關主要技術參數 使用功率/額定值:DC 50V 0.3A~1A 觸點電阻:< 100 mΩ 絕緣電阻:≥ 100 MΩ 耐壓:500V AC for 1 minute 撥動力:180~500gf 使用壽命:10000次 操作溫度:-16℃to+60℃ 儲存溫度:-40℃to+85℃ 符合標準:RoHs&Reach
在線免費獲取定制方案
全國服務熱線:0757-26363652
公司地址:中國 廣東 佛山市順德區 杏壇鎮智富園29棟701
電話:0757-26363652
傳真:0757-26363652
郵箱:
Q Q:
手機:13712710464
24H服務熱線
137-1271-0464
版權所有Copyright©廣東省歷合電子有限公司備案號:粵ICP備12057418號