產品分類導航
您現在的位置:首頁-產品中心-迷你型-詳細內容
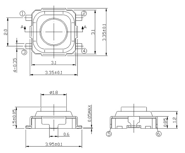
TSTP3315
日期:2012/8/10 閱讀:9588次
產品簡介:
尺寸: 3.35X3.35mm 產品分類: 輕觸開關 - A系列 / 迷你型 應用 ※ 用于操作各種移動設備 ※ 用于操作各種需要高密密安裝的設備 ※ 如手機,通訊設備,緊湊的電子設備 特點 ※ 提高PCB組件的安裝密度 ※ 回流可焊 ※ 觸點完全封裝,提高可靠性 ※ 可以帶接地用于靜電釋放 ※ 用12mm寬的編帶包裝
產品介紹
相關產品推薦

- TSTP4028U-H

- TSG6040-7.4

- TS3737-0.35

- TSTP3131-0.7
